TABLES OF CONTENTS
Performance / Specifications
Section I Description of Systems & Structures
Section II Check List & Operating Instructions
Section III Operating Procedures
Section IV Operating Limitations
Section V Performance Charts
Section VI Emergency Procedures
Section VII Care of the Airplane
Service Requirements
Check List
Illustrations, Charts and Graphs
Three View
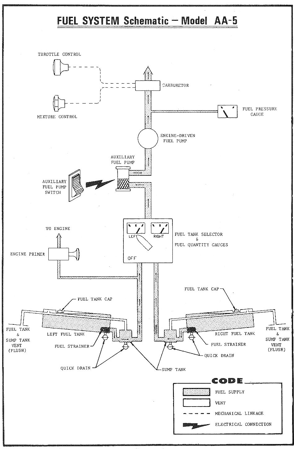
Fuel System Diagram
Electrical System Schematic
Walk-Around Inspection
Instrument Panel Diagram
Seating-Cargo Arrangements
Loading Graph
Sample Loading Problem
Center of Gravity Envelope Graph
Cargo Belt Configuration
Baggage Strap Buckling Illustration
Take Off Data
Maximum Rate-of-Climb Data
Cruise & Range Performance
Landing Data
Stall Speeds
Airspeed Correction Table
Maximum Glide Chart
Weight and Balance (Benötigt EXCEL !!)
Alle Daten beziehen sich auf das Modell AA5 und dienen nur als Beispiel. Diese dürfen keine praktische Anwendung finden. Die Rechte des Inhalts bleiben GRUMMAN AMERICAN vorbehalten.